Mit tioLogic® TWINFIT werden neue Maßstäbe in der Implantologie gesetzt.

Die tioLogic® TWINFIT Revolution

Das Behandlungsteam in Praxis und Labor hat immer das richtige Implantat, egal ob eine Konus- oder Plattform-Verbindung gewünscht wird: Behandler und Patient profitieren bei jedem tioLogic® TWINFIT Implantat von der Freiheit, jederzeit zwischen Konus und Plattform wechseln zu können.

Integrierter Plattform-Switch

Gestrahlt / geätzte Oberfläche

Krestales, selbstschneidendes Feingewinde

Überlagertes Doppelgewinde

Progressives, selbstschneidendes Grobgewinde

Abgerundeter Apex

Integrierter Platform-Switch

Reduzierte Anzahl an Aufbaulinien (S/M/L)

Mehr

Krestales, selbstschneidendes Feingewinde

Sicherer Halt bei reduziertem Knochenangebot​

Mehr

Überlagertes Doppelgewinde

Homogenes Eindrehverhalten und sicherer Halt  

Mehr

Progressives, selbstschneidendes Grobgewinde

Hohe Primärstabilität im spongiösen Knochen und bei Sofortimplantation​

Mehr

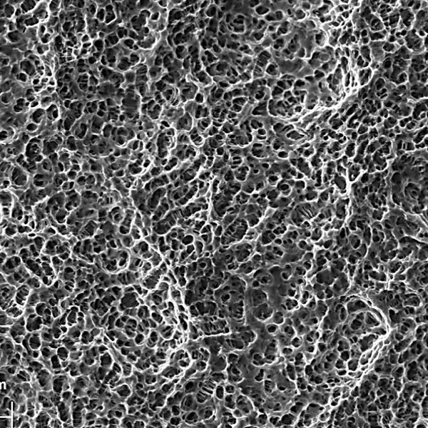
Gestrahlt / geätzte Oberfläche

Homogene Oberflächenstruktur für optimale Knochenanlagerung und -wachstum​

Mehr

Abgerundeter Apex

Griffige apikale Spitze und Schutz der Schneider‘schen Membran​

Mehr

Rotationssicherung

Sitzfläche Konus

Sitzfläche Plattform

Die Verbindung der Zukunft 

Der Abutment-Switch

Die einzigartige Anschlussgeometrie mit der Wahlmöglichkeit zwischen Konus und Plattform ermöglicht maximale Flexibilität in der prothetischen Versorgung – bei gleichzeitig stabiler Verbindung. Damit setzt Dentaurum neue Maßstäbe für präzise, langlebige und effiziente implantologische Lösungen – im Praxis- und Laboralltag gleichermaßen.

Logo Plattform

Pro Plattform

  • Definierter Höhenanschlag
  • Vorteil bei dünnem gingivalem Biotyp
  • Spannungsfreier Sitz bei Brücken und Stegen

Logo Konus

Pro Konus

  • Erhalt des periimplantären krestalen Knochens
  • Optimiertes Weichgewebsmanagement
  • Dichte und lösbare Konusverbindung

Die Freiheit jederzeit zwischen Konus und Plattform zu wechseln

  • Alters- und situationsbedingte Anpassung bei knöchernen und gingivalen Veränderungen.
  • Leichter Wechsel auf Plattform bei Pfeilervermehrung möglich.
    • jederzeit abnehm- und austauschbar
    • kein Löseinstrument notwendig
  • Perfekte patientenindividuelle Ästhetik
  • Stabile Verbindung zum Implantat

Optimales Bohrerdesign
Hohe Schneidleistung und reduzierte Wärmeentwicklung zur Knochengewinnung bei niedrigen Drehzahlen

Referenznut auf 11.0 mm
Referenznut schimmert während des Bohrvorgangs zur sicheren Orientierung

Deutliche, mattierte Tiefenmarkierung und Beschriftung
Sichere Orientierung während der OP

Optimale Kraftübertragung durch Hexagonaufnahme
Höhere Stabilität und Laufruhe
Entlastung der ISO Schaftaufnahme

Bohrer mit Spannut zum einfachen und schnellen Sammeln von Knochenspänen
Verwendung von autologem Knochen
Kein oder weniger Knochenersatzmaterial notwendig

Durchmesserbezogene Farbmarkierung
Einfache Zuordnung während der OP und nach der Reinigung

Eindeutige Lasermarkierung mit dem Ø und der LOT
Eindeutige Identifizierung
Erleichterte Dokumentation

Bohrprotokolle

tioLogic® TWINFIT Präparationsablauf
WEICHE Knochenqualität D3-D4

tioLogic® TWINFIT Präparationsablauf MITTLERE Knochenqualität D2-D3

tioLogic® TWINFIT Präparationsablauf HARTE Knochenqualität D1-D2

Die Bohrgeschwindigkeit

Für eine optimale Einheilung des Implantats ist das Knochenhart- und -weichgewebe schonend aufzubereiten.
Ein thermisches oder mechanisches Trauma ist unbedingt zu vermeiden. Aus diesem Grund muss die Temperaturentwicklung bei der Implantatbettpräparation so gering wie möglich gehalten werden und das maximale Implantatinsertionsdrehmoment (max. 40 Ncm) eingehalten werden. Aus diesem Grund wird die Low-Speed-Präparation für bestimmte Bohrer empfohlen. Um ein Ausschwemmen der Knochenspäne zu vermeiden, kann die Low-Speed-Präparation ohne Kühlung erfolgen. Grundsätzlich sollte die Drehzahl mit steigendem Bohrerdurchmesser reduziert werden.

Artikel   Low-Speed-
Präparationsablauf
Maximale Drehzahl
Markierungsbohrer max. 800 U/min max. 800 U/min
Tiefenbohrer max. 800 U/min max. 800 U/min
Planfräser 50 - 80 U/min max. 500 U/min
Stufensenker 50 - 80 U/min max. 500 U/min
Aufweiter 50 - 80 U/min max. 500 U/min
Gewindeschneider max. 10 U/min o. manuell max. 10 U/min o. manuell


Temperaturentwicklung
Low-Speed-Präparationsablauf

Videos & Tutorials

Produkte aus Chirurgie und Prothetik erklärt in unseren anschaulichen Videos.

Anwendung tioLogic® TWINFIT Abutment-Switch

Anwendung tioLogic® TWINFIT Verpackung

Anwendung tioLogic® TWINFIT Tiefenstopphülsen

Anwendung tioLogic® TWINFIT Entnahme Verschlussschraube

Anwendung tioLogic® TWINFIT Entnahme Implantat

Anwendung tioLogic® TWINFIT Surgical Tray

Seminare Implantologie

 

Titel / Beschreibung Termin Ort Referent Sprache

The fully digital workflow - plannable security and flexibility from scanning to prosthetic restoration on titanium bases

Aufzeichnung anschauen

Termin
-

Ort
Webinar On Demand,

Referent

Sprache
englisch

Gebühr

exkl. MwSt.

- Webinar On Demand
englisch Aufzeichnung anschauen

Study Clubs Implantologie

Dr. Daniel Schulz und Dr. Matthias Eiss, international erfahrene Referenten und Implantologen, begleiten und führen Sie durch die Study Clubs. Praktische Fälle und Live-OPs sowie ausführliche Besprechung der Behandlungsmöglichkeiten mit Supervision am eigenen Patienten unterstreichen den hohen praktischen und praxisnahen Anteil dieser Study Clubs.

Weitere Info

Termin
-

Ort
Verschiedene Veranstaltungsorte, Deutschland

Referent

Referent Dr. med. dent. Matthias Eiss

Dr. med. dent. Matthias Eiss

Werdegang
1983 Abitur
1983 – 1984 Zivildienst in der Mund-Kiefer-Gesichtschirurgie Universität Tübingen
1984 – 1992 Studium der Humanmedizin und Zahnmedizin Universität Tübingen mit Bestellung zum Arzt und Zahnarzt
1993 Promotion zum Dr. med.
1992 – 1998 Ausbildung zum Facharzt für Mund-Kiefer-Gesichtschirurgie in Hattingen/Ruhr
seit 1998 Niederlassung in eigener Praxis für Mund-Kiefer- und Gesichtschirurgie in Berlin
Tätigkeitsschwerpunkt: Implantologie
Referententätigkeit
Kurse im Bereich Implantologie
Seminare
Referent Dr. med. dent. Daniel Schulz

Dr. med. dent. Daniel Schulz

Werdegang
1996-2001

Studium der Zahnheilkunde in Hamburg

2001-2004

Assistenzstellen in Hamburg

2003

Promotion

2004

Praxisneugründung in Henstedt-Ulzburg
und implantologisch tätig

Mitgliedschaft der SHGZMK und DGZI

Referententätigkeit
Vorträge und Veröffentlichungen im Bereich Implantologie, Vollkeramik und digitale Volumentomographie
Seminare

Sprache
deutsch

Gebühr
1.585
exkl. MwSt.

- Verschiedene Veranstaltungsorte
Deutschland
Referent Dr. med. dent. Matthias Eiss

Dr. med. dent. Matthias Eiss

Werdegang
1983 Abitur
1983 – 1984 Zivildienst in der Mund-Kiefer-Gesichtschirurgie Universität Tübingen
1984 – 1992 Studium der Humanmedizin und Zahnmedizin Universität Tübingen mit Bestellung zum Arzt und Zahnarzt
1993 Promotion zum Dr. med.
1992 – 1998 Ausbildung zum Facharzt für Mund-Kiefer-Gesichtschirurgie in Hattingen/Ruhr
seit 1998 Niederlassung in eigener Praxis für Mund-Kiefer- und Gesichtschirurgie in Berlin
Tätigkeitsschwerpunkt: Implantologie
Referententätigkeit
Kurse im Bereich Implantologie
Seminare
Referent Dr. med. dent. Daniel Schulz

Dr. med. dent. Daniel Schulz

Werdegang
1996-2001

Studium der Zahnheilkunde in Hamburg

2001-2004

Assistenzstellen in Hamburg

2003

Promotion

2004

Praxisneugründung in Henstedt-Ulzburg
und implantologisch tätig

Mitgliedschaft der SHGZMK und DGZI

Referententätigkeit
Vorträge und Veröffentlichungen im Bereich Implantologie, Vollkeramik und digitale Volumentomographie
Seminare
deutsch Weitere Info

Seminar-Reihe Implantologie in Franken 2025

Modul 1: Anatomie und operative Techniken
11.04.2026 | 09.00 bis 17.00 Uhr oder 14.11.2026 | 09.00 bis 17.00 Uhr

  • Anatomische Grundlagen I Präimplantologische Überlegungen und Maßnahmen, Grundlagen, Techniken, Live-Demonstration
  • Ausführliche Hands-on-Übungen am Humanpräparat
    Jeweils zwei Teilnehmer üben am OK- /UK-Präparat
    Darstellen der wichtigen Nerven und Blutgefäße im Kieferbereich I Implantatinsertion I Schnitt- und Nahttechniken, Augmentationsmaterialien I Sinusbodenelevation offen / geschlossen Techniken zu bone condensing, bone splitting, bone spreading I Blocktransplantation | Nervverlagerung I Piezosurgery

 

Modul 2: Möglichkeiten und Grenzen augmentativer Maßnahmen

25.04.2026 I 09.00 bis 17.00 Uhr

  • Indikationen, Kontraindikationen, Grenzen I Techniken der Fensterpräparation
  • Knochen: Entnahmetechniken und Aufbereitung
  • Knochenaufbaumaterialien und Membrane
  • Besonderheiten bei der simultanen und verzögerten Implantation
  • Resorptionen und therapeutische Konsequenzen operativer Verfahren
  • Alternativen zur Blocktransplantation I Komplikationen und Komplikationsmanagement

Live-OP I Praktische Übungen mit Piezosurgery

 

Modul 3: Weichgewebshandling - das Einfache, das schwer zu machen ist.

11.07.2026 I 09.00 bis 17.00 Uhr

  • Inzisionsplanung und Vaskularisation
  • Lappenbildung und Inzisionstechniken
  • Tipps zur Lappenmobilisierung
  • BGW-Transplantate
  • Schleimhauttransplantate
  • Kombinierte Transplantate
  • Transplantatentnahme
  • Therapiemaßnahmen bei Nahtdehiszenzen
  • Weichgewebsoptimierung:
    • bei Extraktion
    • vor Augmentation
    • vor Freilegung
    • mit Freilegung
    • zur ästhetischen und funktionellen Korrektur in der Erhaltungsphase
  • Ausführliche Hands-on-Übungen mit Naht und Fixierungstechniken am Tierpräparat

 

Modul 4 - Digitale Implantatprothetik – schnell, einfach, sicher

17.10.2026 I 09.00 bis 17.00 Uhr

  • Konventionelle versus digitale Abdrucknahme
  • Vorstellung des digitalen Workflows
  • Durch digitales Vorgehen Sitzungen, Zeit und Geld sparen
  • Intra-operativer Live-Scan – Vorteile für Patient und Behandler
  • Langzeitprovisorium schnell und einfach am Beispiel eines Live-Patientenfalls
  • Implantat-Scan versus Zahn-Scan – wo liegen die Unterschiede
  • Schnittstelle Aligner – Implantologie
  • CAD & CAM plus Modelldruck – was brauche ich wirklich?
  • Welches Material für welche Versorgung?
  • Kombination Implantat – Zahn, was muss man beachten am Beispiel einer Live-OP
  • Full-arche Versorgungen mit Bisshebung
  • Teleskoptechnik, was geht digital, was nicht? Möglichkeiten und Grenzen beim zahnlosen Patient
  • Hands-on-Übungen am Modell und intraoral

 

Infos & Anmeldung

Termin
29.03.2025 - 18.10.2025

Ort
Erlangen, Deutschland

Referent

Referent Prof. Dr. rer. nat. Dr. habil. med. Lars  Bräuer

Prof. Dr. rer. nat. Dr. habil. med. Lars Bräuer

Werdegang

Studium der Biochemie und medizinischen Mikrobiologie an der Martin-Luther-Universität Halle-Wittenberg

Promotion zum Dr. rer. nat. mit Forschungsaufenthalten in nationalen und internationalen Laboratorien

Fachanatom der Anatomischen Gesellschaft

Habilitation im Fach Anatomie

Forschungsschwerpunkt "Oberflächenaktive Proteine"

Mitglied diverser Fachgesellschaften und Editorial Boards

Referententätigkeit

Koordinator und Leiter verschiedener Weiterbildungsveranstaltungen

Seminare
  • Anatomie und operative Techniken
  • Implantationskurs an Humanpräparaten
Referent Prof. Dr. med. dent. Friedhelm Heinemann

Prof. Dr. med. dent. Friedhelm Heinemann

Werdegang
Studium an der Rheinischen Friedrich-Wilhelms-Universität Bonn
1987 Approbation und Promotion
1988 Fortbildung in Implantologie und Beginn der implantologischen Tätigkeit
1990 Niederlassung in Gemeinschaftspraxis mit Dr. Rolf Vollmer in Wissen an der Sieg
Abschluss verschiedener Postgraduiertenprüfungen auf dem Gebiet Implantologie Active Member der DGZI, Fellow und Diplomate des ICOI und Tätigkeitsschwerpunkt Implantologie des BDIZ
Sachverständiger für privatzahnärztliche Leistungen der Bezirkszahnärztekammer Koblenz
Externer Mitarbeiter der Poliklinik für zahnärztliche Prothetik und Werkstoffkunde der Universität Greifswald. Mitgliedschaft BDZI, DGZI, DGZPW, FDI, ICOI
2004-2010 Präsident der DGZI
Referententätigkeit
Vortragstätigkeit, Kurse und Veröffentlichungen auf den Gebieten Implantologie, augmentative Chirurgie und Implantatprothetik
Seminare

 

Referent Dr. Joachim Hoffmann

Dr. Joachim Hoffmann

Werdegang
1980 bis 1985 Studium der Zahnmedizin an der Friedrich-Schiller-Universität Jena
1985 bis 1989 Facharztausbildung an der Poliklinik für Stomatologie in Jena
1990 bis 1992 Leiter des Bereiches Zahnmedizin der Ambulanten Gesundheitseinrichtungen der Stadt Jena
seit 1992 Private Zahnarztpraxis in Jena, später
Zahnärztliche Gemeinschaftspraxis mit Dr. Christin Drothen und Dr. Claus Wächter
seit 1996 Referent und Kursleiter für Implantologie und Mikrochirurgie
seit 2000 Zertifizierter Ausbildungsreferent sowie Praxis für Hospitation und Supervision der Konsensuskonferenz Implantologie
Gutachter des BDIZ, der Konsensuskonferenz Implantologie und der Landeszahnärztekammer Thüringen bis 2015
2005

Gründung des "Implantariums"
Fortbildungszentrum für Implantologie
und spezialisierte Zahnheilkunde in Jena

seit 2005

Vorsitzender der Gesellschaft für medizinisch-technische Zusammenarbeit, Entwicklungshilfe in Nepal

2006

Visual Library Implantologie, Quintessenz Verlag, das erste Videolexikon für den Fachbereich Implantologie

2012

Topografische Implantologie Band 1:

Die Sinuslift-OP. Das erste multimediale iBook für Implantologen 

2014

Der Implantatnavigator, Quintessenz Verlag

Referententätigkeit
Kurse im Bereich Implantologie
Seminare
  • Anatomie und operative Techniken - ein Implantationskurs an Humanpräparaten
  • Knochenregeneration - Methodik und Techniken
  • Sinuslift und atrophierter lateraler Oberkiefer
  • Blocktransplantate und atrophierter lateraler Unterkiefer
Referent Dr. Friedemann Petschelt

Dr. Friedemann Petschelt

Werdegang
Seit 1987

Niederlassung in oralchirurgischer Überweisungspraxis

Ausbilder im Bereich der Implantologie für Curricula und Masterstudiengänge

Arbeitsschwerpunkte; Implantologie, Parodontolgie und Prothetik

1999

Jahresbestenpreis der DGI

seit 2011

Vorsitzender der DGI Bayern

Zahlreiche Postgraduate USA Aufenthalte

Referententätigkeit

Zahlreiche Vorträge und Kurse im Bereich der zahnärztlichen Implantologie

Seminare
Referent Dr. Johannes Petschelt

Dr. Johannes Petschelt ,
MSc MSc

Werdegang
2009

Praktikum in einer Zahnstation in Arequipa, Peru

2009-2010

Ausbildung zum Rettungssanitäter

2010-2012

Studium Zahnmedizin (Goethe Universität Frankfurt)

2012-2018

Studium Zahnmedizin (DPU Krems)

2017

Famulatur in Phnom Penh, Kambodscha

seit 2018

Zahnarzt in Praxis Dr. Petschelt und Kollegen, Lauf

2018-2021

postgraduales Studium Ästhetisch - Rekonstrukitve Zahnmedizin (DPU/PUSH Krems)

seit 2019

diverse Curricula (u.a. Sportzahnmedizin, Implantologie, Implantatprothetik, zahnärztliche Schlafmedizin, Oralchirurgie)

seit 2020

Weiterbildung zum Fachzahnarzt für Oralchirurgie der Bayerischen Landeszahnärztekammer

2022-2023

berufsbegleitendes Studium Bachelor of Science Humanmedizin (DPU Krems)

seit 2021

postgraduales Studium Parodontologie und Implantologie (DPU/PUSH Krems)

seit 2023

Niederlassung in eigener oralchirurgischer Überweiserpraxis

 

Referententätigkeit
Seminare
  • Soft tissue handling
  • eazf* curriculum beginners – implant prosthetics
  • eazf* implant prosthetics
  • Possibilities and limits of augmentative measures
  • Digital implant prosthetics


*eazf - European Academy for Dental Training

 

 

Referent Dr. Andreas Petschelt

Dr. Andreas Petschelt

Werdegang
Referententätigkeit
Seminare

ZTM Thomas Krausseneck

Werdegang
Referententätigkeit
Seminare

Seminar-Reihe Implantologie Franken

Sprache
deutsch

Gebühr
1885
exkl. MwSt.

29.03.2025 - 18.10.2025 Erlangen
Deutschland
Referent Prof. Dr. rer. nat. Dr. habil. med. Lars  Bräuer

Prof. Dr. rer. nat. Dr. habil. med. Lars Bräuer

Werdegang

Studium der Biochemie und medizinischen Mikrobiologie an der Martin-Luther-Universität Halle-Wittenberg

Promotion zum Dr. rer. nat. mit Forschungsaufenthalten in nationalen und internationalen Laboratorien

Fachanatom der Anatomischen Gesellschaft

Habilitation im Fach Anatomie

Forschungsschwerpunkt "Oberflächenaktive Proteine"

Mitglied diverser Fachgesellschaften und Editorial Boards

Referententätigkeit

Koordinator und Leiter verschiedener Weiterbildungsveranstaltungen

Seminare
  • Anatomie und operative Techniken
  • Implantationskurs an Humanpräparaten
Referent Prof. Dr. med. dent. Friedhelm Heinemann

Prof. Dr. med. dent. Friedhelm Heinemann

Werdegang
Studium an der Rheinischen Friedrich-Wilhelms-Universität Bonn
1987 Approbation und Promotion
1988 Fortbildung in Implantologie und Beginn der implantologischen Tätigkeit
1990 Niederlassung in Gemeinschaftspraxis mit Dr. Rolf Vollmer in Wissen an der Sieg
Abschluss verschiedener Postgraduiertenprüfungen auf dem Gebiet Implantologie Active Member der DGZI, Fellow und Diplomate des ICOI und Tätigkeitsschwerpunkt Implantologie des BDIZ
Sachverständiger für privatzahnärztliche Leistungen der Bezirkszahnärztekammer Koblenz
Externer Mitarbeiter der Poliklinik für zahnärztliche Prothetik und Werkstoffkunde der Universität Greifswald. Mitgliedschaft BDZI, DGZI, DGZPW, FDI, ICOI
2004-2010 Präsident der DGZI
Referententätigkeit
Vortragstätigkeit, Kurse und Veröffentlichungen auf den Gebieten Implantologie, augmentative Chirurgie und Implantatprothetik
Seminare

 

Referent Dr. Joachim Hoffmann

Dr. Joachim Hoffmann

Werdegang
1980 bis 1985 Studium der Zahnmedizin an der Friedrich-Schiller-Universität Jena
1985 bis 1989 Facharztausbildung an der Poliklinik für Stomatologie in Jena
1990 bis 1992 Leiter des Bereiches Zahnmedizin der Ambulanten Gesundheitseinrichtungen der Stadt Jena
seit 1992 Private Zahnarztpraxis in Jena, später
Zahnärztliche Gemeinschaftspraxis mit Dr. Christin Drothen und Dr. Claus Wächter
seit 1996 Referent und Kursleiter für Implantologie und Mikrochirurgie
seit 2000 Zertifizierter Ausbildungsreferent sowie Praxis für Hospitation und Supervision der Konsensuskonferenz Implantologie
Gutachter des BDIZ, der Konsensuskonferenz Implantologie und der Landeszahnärztekammer Thüringen bis 2015
2005

Gründung des "Implantariums"
Fortbildungszentrum für Implantologie
und spezialisierte Zahnheilkunde in Jena

seit 2005

Vorsitzender der Gesellschaft für medizinisch-technische Zusammenarbeit, Entwicklungshilfe in Nepal

2006

Visual Library Implantologie, Quintessenz Verlag, das erste Videolexikon für den Fachbereich Implantologie

2012

Topografische Implantologie Band 1:

Die Sinuslift-OP. Das erste multimediale iBook für Implantologen 

2014

Der Implantatnavigator, Quintessenz Verlag

Referententätigkeit
Kurse im Bereich Implantologie
Seminare
  • Anatomie und operative Techniken - ein Implantationskurs an Humanpräparaten
  • Knochenregeneration - Methodik und Techniken
  • Sinuslift und atrophierter lateraler Oberkiefer
  • Blocktransplantate und atrophierter lateraler Unterkiefer
Referent Dr. Friedemann Petschelt

Dr. Friedemann Petschelt

Werdegang
Seit 1987

Niederlassung in oralchirurgischer Überweisungspraxis

Ausbilder im Bereich der Implantologie für Curricula und Masterstudiengänge

Arbeitsschwerpunkte; Implantologie, Parodontolgie und Prothetik

1999

Jahresbestenpreis der DGI

seit 2011

Vorsitzender der DGI Bayern

Zahlreiche Postgraduate USA Aufenthalte

Referententätigkeit

Zahlreiche Vorträge und Kurse im Bereich der zahnärztlichen Implantologie

Seminare
Referent Dr. Johannes Petschelt

Dr. Johannes Petschelt ,
MSc MSc

Werdegang
2009

Praktikum in einer Zahnstation in Arequipa, Peru

2009-2010

Ausbildung zum Rettungssanitäter

2010-2012

Studium Zahnmedizin (Goethe Universität Frankfurt)

2012-2018

Studium Zahnmedizin (DPU Krems)

2017

Famulatur in Phnom Penh, Kambodscha

seit 2018

Zahnarzt in Praxis Dr. Petschelt und Kollegen, Lauf

2018-2021

postgraduales Studium Ästhetisch - Rekonstrukitve Zahnmedizin (DPU/PUSH Krems)

seit 2019

diverse Curricula (u.a. Sportzahnmedizin, Implantologie, Implantatprothetik, zahnärztliche Schlafmedizin, Oralchirurgie)

seit 2020

Weiterbildung zum Fachzahnarzt für Oralchirurgie der Bayerischen Landeszahnärztekammer

2022-2023

berufsbegleitendes Studium Bachelor of Science Humanmedizin (DPU Krems)

seit 2021

postgraduales Studium Parodontologie und Implantologie (DPU/PUSH Krems)

seit 2023

Niederlassung in eigener oralchirurgischer Überweiserpraxis

 

Referententätigkeit
Seminare
  • Soft tissue handling
  • eazf* curriculum beginners – implant prosthetics
  • eazf* implant prosthetics
  • Possibilities and limits of augmentative measures
  • Digital implant prosthetics


*eazf - European Academy for Dental Training

 

 

Referent Dr. Andreas Petschelt

Dr. Andreas Petschelt

Werdegang
Referententätigkeit
Seminare

ZTM Thomas Krausseneck

Werdegang
Referententätigkeit
Seminare

Seminar-Reihe Implantologie Franken

deutsch Infos & Anmeldung

Seminar-Reihe Implantologie Mecklenburg-Vorpommern 2026

Modul 1:

Integration der Implantologie in den Praxisalltag

Mittwoch, 10.06.2026 | 15:00 bis 19:30 Uhr


• Patientenselektion
• Beratungsgespräch
• Implantatplanung
• OP-Ablauf
• Gemeinsame Fallbesprechung vom präoperativen Befund bis zur Umsetzung (Einzelzahn, Schaltlücke, Freiendsituation, unbezahnter Kiefer)

 

Modul 2:

Implantatprothetik aus zahnärztlicher und zahntechnischer Sicht

Mittwoch, 01.07.2026 I 15:00 bis 19:30 Uhr


• Möglichkeiten und Planungsgrundsätze in der Implantatprothetik und deren Umsetzung
• Zusammenarbeit Zahnarzt / Zahntechniker / Chirurg von der Planung bis zur Umsetzung bei der OP und der prothetischen Versorgung
• Ausführliche Hands-On-Übungen:
Abdrucknahme (offen / geschlossen) I Auswahl der prothetischen Abutments
• Praktische Tipps bei der prothetischen Versorgung

 

Modul 3:

Weichgewebshandling

Mittwoch, 02.09.2026 I 15:00 bis 19:30 Uhr


• Vorbereitung und Diagnostik vor Parodontalbehandlung und augmentativer Chirurgie
• Grundlegende Techniken des Hart- und Weichgewebsmanagements
• Übersicht der verschiedenen Augmentationsmaterialien und Membrane
• Nachsorge nach augmentativen und parodontalchirurgischen Verfahren
• Hands-On-Übungen: Naht- und Fixierungstechniken mit umfangreichen Übungen am Tierpräparat

 

Modul 4:

OP-Tag

Mittwoch, 07.10.2026 I 15:00 bis 19:30 Uhr


• Live-OP einfacher Fälle im OK / UK
• Eventuell auch OP mit internem Sinuslift und Demonstration einer Implantatfreilegung
• Praktische Tipps vom erfahrenen Chirurgen
• Fallbesprechung und Planung eigener Fälle
• OPTG / PSA (Modelle bringen die Teilnehmer mit)

 

Modul 5:

Implantatindikationen, Planung und Umsetzung

Mittwoch, 04.11.2026 I 15:00 bis 19:30 Uhr


• Gemeinsame Fallbesprechung vom präoperativen Befund bis zur Umsetzung
(Einzelzahn, Schaltlücke, Freiendsituation, unbezahnter Kiefer)
• Fallbesprechung und Planung eigener Fälle
• OPTG / PSA (Modelle bringen die Teilnehmer mit)

 

Modul 6:

Anatomie und operative Techniken an der Charité-Universitätsmedizin Berlin

Samstag, 28.11.2026 I 09:00 bis 17:00 Uhr


• Anatomische Grundlagen
• Präimplantologische Überlegungen und Maßnahmen
• Ausführliche Hands-On-Übungen: Jeweils zwei Teilnehmer üben an einem OK- / UK-Humanpräparat

 

Modul 7:

OP-Tag – Supervision

Termin: Nach individueller Absprache


• Jeder Teilnehmer operiert seinen eigenen Patienten unter Anleitung des Referenten

Infos & Anmeldung

Termin
04.06.2025 - 29.11.2025

Ort
Güstrow, Deutschland

Referent

Referent Prof. Dr. med. dent. Friedhelm Heinemann

Prof. Dr. med. dent. Friedhelm Heinemann

Werdegang
Studium an der Rheinischen Friedrich-Wilhelms-Universität Bonn
1987 Approbation und Promotion
1988 Fortbildung in Implantologie und Beginn der implantologischen Tätigkeit
1990 Niederlassung in Gemeinschaftspraxis mit Dr. Rolf Vollmer in Wissen an der Sieg
Abschluss verschiedener Postgraduiertenprüfungen auf dem Gebiet Implantologie Active Member der DGZI, Fellow und Diplomate des ICOI und Tätigkeitsschwerpunkt Implantologie des BDIZ
Sachverständiger für privatzahnärztliche Leistungen der Bezirkszahnärztekammer Koblenz
Externer Mitarbeiter der Poliklinik für zahnärztliche Prothetik und Werkstoffkunde der Universität Greifswald. Mitgliedschaft BDZI, DGZI, DGZPW, FDI, ICOI
2004-2010 Präsident der DGZI
Referententätigkeit
Vortragstätigkeit, Kurse und Veröffentlichungen auf den Gebieten Implantologie, augmentative Chirurgie und Implantatprothetik
Seminare

 

Referent Prof. Dr. Torsten Mundt

Prof. Dr. Torsten Mundt

Werdegang
1994

Promotion und Ernennung zum klinischen Oberarzt in der Poliklinik für Zahnärztliche Prothetik, Alterszahnheilkunde und Medizinische Werkstoffkunde (Leiter: Prof. Dr. R. Biffar)

2007

Ernennung zum Spezialist für Prothetik der DGPro

2011

Habilitation

Referententätigkeit
Seminare
Referent ZTM Holger Nickel

ZTM Holger Nickel

Werdegang

Geschäftsführer Biemadent Zahntechnik GmbH in Eberswalde

Referententätigkeit
Seminare
Referent ZTM Rocky Paul

ZTM Rocky Paul

Werdegang

Geschäftsführer und Gesellschafter der Dentallabor Güstrow MV GmbH

Referententätigkeit
Seminare
Referent Helge Pielenz

Helge Pielenz

Werdegang

Eigene Praxis in Rostock

Referententätigkeit
Seminare

Sprache
deutsch

Gebühr
1950
exkl. MwSt.

04.06.2025 - 29.11.2025 Güstrow
Deutschland
Referent Prof. Dr. med. dent. Friedhelm Heinemann

Prof. Dr. med. dent. Friedhelm Heinemann

Werdegang
Studium an der Rheinischen Friedrich-Wilhelms-Universität Bonn
1987 Approbation und Promotion
1988 Fortbildung in Implantologie und Beginn der implantologischen Tätigkeit
1990 Niederlassung in Gemeinschaftspraxis mit Dr. Rolf Vollmer in Wissen an der Sieg
Abschluss verschiedener Postgraduiertenprüfungen auf dem Gebiet Implantologie Active Member der DGZI, Fellow und Diplomate des ICOI und Tätigkeitsschwerpunkt Implantologie des BDIZ
Sachverständiger für privatzahnärztliche Leistungen der Bezirkszahnärztekammer Koblenz
Externer Mitarbeiter der Poliklinik für zahnärztliche Prothetik und Werkstoffkunde der Universität Greifswald. Mitgliedschaft BDZI, DGZI, DGZPW, FDI, ICOI
2004-2010 Präsident der DGZI
Referententätigkeit
Vortragstätigkeit, Kurse und Veröffentlichungen auf den Gebieten Implantologie, augmentative Chirurgie und Implantatprothetik
Seminare

 

Referent Prof. Dr. Torsten Mundt

Prof. Dr. Torsten Mundt

Werdegang
1994

Promotion und Ernennung zum klinischen Oberarzt in der Poliklinik für Zahnärztliche Prothetik, Alterszahnheilkunde und Medizinische Werkstoffkunde (Leiter: Prof. Dr. R. Biffar)

2007

Ernennung zum Spezialist für Prothetik der DGPro

2011

Habilitation

Referententätigkeit
Seminare
Referent ZTM Holger Nickel

ZTM Holger Nickel

Werdegang

Geschäftsführer Biemadent Zahntechnik GmbH in Eberswalde

Referententätigkeit
Seminare
Referent ZTM Rocky Paul

ZTM Rocky Paul

Werdegang

Geschäftsführer und Gesellschafter der Dentallabor Güstrow MV GmbH

Referententätigkeit
Seminare
Referent Helge Pielenz

Helge Pielenz

Werdegang

Eigene Praxis in Rostock

Referententätigkeit
Seminare
deutsch Infos & Anmeldung

Anatomie und operative Techniken

  • Rekapitulation der implantologisch relevanten Hart- und Weichgewebsstrukturen in Theorie und Praxis.
  • Präimplantologische Überlegungen und Maßnahmen
  • Grundlagen, Techniken und Live-Demonstration
  • Ausführliche Hands-On-Übungen. Jeweils zwei Kursteilnehmer üben an einem OK / UK-Präparat:
    • Darstellen der wichtigen Nerven und Blutgefäße im Kieferbereich I Implantatinsertion
    • Schnitt- und Nahttechniken I Augmentationstechniken
    • Sinusbodenelevation offen / geschlossen I Blocktransplantation
    • Bone condensing, bone splitting, bone spreading I Piezosurgery

Infos & Anmeldung

Termin
01.11.2025 - 01.11.2025

Ort
Bonn, Deutschland

Referent

Referent Prof. Dr. med. dent. Friedhelm Heinemann

Prof. Dr. med. dent. Friedhelm Heinemann

Werdegang
Studium an der Rheinischen Friedrich-Wilhelms-Universität Bonn
1987 Approbation und Promotion
1988 Fortbildung in Implantologie und Beginn der implantologischen Tätigkeit
1990 Niederlassung in Gemeinschaftspraxis mit Dr. Rolf Vollmer in Wissen an der Sieg
Abschluss verschiedener Postgraduiertenprüfungen auf dem Gebiet Implantologie Active Member der DGZI, Fellow und Diplomate des ICOI und Tätigkeitsschwerpunkt Implantologie des BDIZ
Sachverständiger für privatzahnärztliche Leistungen der Bezirkszahnärztekammer Koblenz
Externer Mitarbeiter der Poliklinik für zahnärztliche Prothetik und Werkstoffkunde der Universität Greifswald. Mitgliedschaft BDZI, DGZI, DGZPW, FDI, ICOI
2004-2010 Präsident der DGZI
Referententätigkeit
Vortragstätigkeit, Kurse und Veröffentlichungen auf den Gebieten Implantologie, augmentative Chirurgie und Implantatprothetik
Seminare

 

Referent Dr. med. Stefanie Schliwa

Dr. med. Stefanie Schliwa

Werdegang

Mitglied bei der Anatomischen Gesellschaft

Freiberufliche Autorin der Anatomie für " Xope: Die OP-Lehre. Online" des Deutschen Ärzteverlages

Präparierkurse für das Fachgebiet Implantologie / Mehrtägige Workshops der Regionalanästhesie und Anatomie

Koordination und Leitung der klinisch-makroskopischen Forschung

Planung und Leitung des "Kurses der Präparierübungen für Fortgeschrittene - Topografische Anatomie mit klinischen Bezügen"

Seit 2010

Wissenschaftliche Mitarbeiterin, Anatomisches Institut der Universität Bonn

Seit 2012

Promotion (Dr. med.), Universität zu Köln

Referententätigkeit
Seminare

Sprache
deutsch

Gebühr
625
exkl. MwSt.

01.11.2025 - 01.11.2025 Bonn
Deutschland
Referent Prof. Dr. med. dent. Friedhelm Heinemann

Prof. Dr. med. dent. Friedhelm Heinemann

Werdegang
Studium an der Rheinischen Friedrich-Wilhelms-Universität Bonn
1987 Approbation und Promotion
1988 Fortbildung in Implantologie und Beginn der implantologischen Tätigkeit
1990 Niederlassung in Gemeinschaftspraxis mit Dr. Rolf Vollmer in Wissen an der Sieg
Abschluss verschiedener Postgraduiertenprüfungen auf dem Gebiet Implantologie Active Member der DGZI, Fellow und Diplomate des ICOI und Tätigkeitsschwerpunkt Implantologie des BDIZ
Sachverständiger für privatzahnärztliche Leistungen der Bezirkszahnärztekammer Koblenz
Externer Mitarbeiter der Poliklinik für zahnärztliche Prothetik und Werkstoffkunde der Universität Greifswald. Mitgliedschaft BDZI, DGZI, DGZPW, FDI, ICOI
2004-2010 Präsident der DGZI
Referententätigkeit
Vortragstätigkeit, Kurse und Veröffentlichungen auf den Gebieten Implantologie, augmentative Chirurgie und Implantatprothetik
Seminare

 

Referent Dr. med. Stefanie Schliwa

Dr. med. Stefanie Schliwa

Werdegang

Mitglied bei der Anatomischen Gesellschaft

Freiberufliche Autorin der Anatomie für " Xope: Die OP-Lehre. Online" des Deutschen Ärzteverlages

Präparierkurse für das Fachgebiet Implantologie / Mehrtägige Workshops der Regionalanästhesie und Anatomie

Koordination und Leitung der klinisch-makroskopischen Forschung

Planung und Leitung des "Kurses der Präparierübungen für Fortgeschrittene - Topografische Anatomie mit klinischen Bezügen"

Seit 2010

Wissenschaftliche Mitarbeiterin, Anatomisches Institut der Universität Bonn

Seit 2012

Promotion (Dr. med.), Universität zu Köln

Referententätigkeit
Seminare
deutsch Infos & Anmeldung

Seminar-Reihe Implantologie NRW in Bonn, Heiligenhaus und Velbert 2026

Modul 1: Implantatprothetik aus zahnärztlicher und zahntechnischer Sicht | 20.05.2026

• Möglichkeiten und Planungsgrundsätze in der Implantatprothetik und deren Umsetzung
• Zusammenarbeit Zahnarzt / Zahntechniker / Chirurg von der Planung bis zur Umsetzung
bei der OP und der prothetischen Versorgung
• Ausführliches Hands-on-Training
· Abdrucknahme (offen / geschlossen) · Auswahl der prothetischen Abutments
• Praktische Tipps bei der prothetischen Versorgung


Modul 2: Integration der Implantologie in den Praxisalltag | 27.06.2026

• Patientenselektion · Patientenselektion · Beratungsgespräch · Implantatplanung · OP-Ablauf
• Weichgewebshandling und minimalinvasive Chirurgie
• Grundlegende Techniken des Hart- und Weichgewebsmanagments
• Übersicht der verschiedenen Augmentatmaterialien und -techniken
• Minimalinvasive Chirurgie und Navigation
• Miniimplantate – Indikation und Anwendung
• Hands-on-Training mit umfangreichen Übungen am Tierpräparat


Modul 3: Möglichkeiten und Grenzen augmentativer Maßnahmen | 10.10.2026

• Indikationen, Kontraindikationen, Grenzen · Techniken der Fensterpräparation
• Knochen: Entnahmetechniken und Aufbereitung
• Knochenaufbaumaterialien und Membrane · Besonderheiten bei der simultanen und verzögerten Implantation
• Resorptionen und therapeutische Konsequenzen operativer Verfahren
• Alternativen zur Blocktransplantation
• Komplikationen und Komplikationsmanagement
• Live-OP und Hands-on-Training mit Piezosurgery


Modul 4: Anatomie und operative Techniken

• Rekapitulation der implantologisch relevanten Hart- und Weichgewebsstrukturen in Theorie und Praxis
• Präimplantologische Überlegungen und Maßnahmen · Grundlagen und Techniken · Live-Demonstration
• Ausführliches Hands-on-Training: Jeweils 2 Teilnehmer üben an einm OK- / UK-Humanpräparat
• Darstellen der wichtigen Nerven und Blutgefäße im Kieferbereich · Implantatinsertion · Schnitt- und Nahttechniken
• Augmentationstechniken · Sinusbodenelevation offen / geschlossen · Bone condensing
• Bone splitting · Bone spreading · Blocktransplantation · Nervverlagerung · Piezosurgery

 

Modul 5: OP-Tag - Supervision | 02.12.2026

• Jeder Teilnehmer operiert seinen eigenen Patienten unter Anleitung der Referenten

 

Infos & Anmeldung

Termin
13.11.2025 - 13.11.2025

Ort
Bonn, Deutschland

Referent

Referent ZMF Angelika Frenzel

ZMF Angelika Frenzel

Werdegang
1989-1992

Ausbildung zur Zahnarzthelferin
1992-2007

in der Gemeinschaftspraxis DS Rocktäschel/DM Ziesch in Chemnitz tätig. Tätigkeitsschwerpunkt Implantologie
1999- 2001

Fortbildung zur ZMF
ab 2001

Mitarbeit im Praxismanagment, Hygienemanagment, QM
seit 2003

nebenberufliche Tätigkeit als Fortbildungsreferentin, Praxiscoach
seit 2008

in der Praxis für Laserzahnheilkunde und Implantologie Dres. Mehmke in Chemnitz tätig

Referententätigkeit
Seminare
Referent Prof. Dr. med. dent. Friedhelm Heinemann

Prof. Dr. med. dent. Friedhelm Heinemann

Werdegang
Studium an der Rheinischen Friedrich-Wilhelms-Universität Bonn
1987 Approbation und Promotion
1988 Fortbildung in Implantologie und Beginn der implantologischen Tätigkeit
1990 Niederlassung in Gemeinschaftspraxis mit Dr. Rolf Vollmer in Wissen an der Sieg
Abschluss verschiedener Postgraduiertenprüfungen auf dem Gebiet Implantologie Active Member der DGZI, Fellow und Diplomate des ICOI und Tätigkeitsschwerpunkt Implantologie des BDIZ
Sachverständiger für privatzahnärztliche Leistungen der Bezirkszahnärztekammer Koblenz
Externer Mitarbeiter der Poliklinik für zahnärztliche Prothetik und Werkstoffkunde der Universität Greifswald. Mitgliedschaft BDZI, DGZI, DGZPW, FDI, ICOI
2004-2010 Präsident der DGZI
Referententätigkeit
Vortragstätigkeit, Kurse und Veröffentlichungen auf den Gebieten Implantologie, augmentative Chirurgie und Implantatprothetik
Seminare

 

Referent ZTM Holger Nickel

ZTM Holger Nickel

Werdegang

Geschäftsführer Biemadent Zahntechnik GmbH in Eberswalde

Referententätigkeit
Seminare
Referent Dr. med. Stefanie Schliwa

Dr. med. Stefanie Schliwa

Werdegang

Mitglied bei der Anatomischen Gesellschaft

Freiberufliche Autorin der Anatomie für " Xope: Die OP-Lehre. Online" des Deutschen Ärzteverlages

Präparierkurse für das Fachgebiet Implantologie / Mehrtägige Workshops der Regionalanästhesie und Anatomie

Koordination und Leitung der klinisch-makroskopischen Forschung

Planung und Leitung des "Kurses der Präparierübungen für Fortgeschrittene - Topografische Anatomie mit klinischen Bezügen"

Seit 2010

Wissenschaftliche Mitarbeiterin, Anatomisches Institut der Universität Bonn

Seit 2012

Promotion (Dr. med.), Universität zu Köln

Referententätigkeit
Seminare

Sprache
deutsch

Gebühr
1885,00
exkl. MwSt.

13.11.2025 - 13.11.2025 Bonn
Deutschland
Referent ZMF Angelika Frenzel

ZMF Angelika Frenzel

Werdegang
1989-1992

Ausbildung zur Zahnarzthelferin
1992-2007

in der Gemeinschaftspraxis DS Rocktäschel/DM Ziesch in Chemnitz tätig. Tätigkeitsschwerpunkt Implantologie
1999- 2001

Fortbildung zur ZMF
ab 2001

Mitarbeit im Praxismanagment, Hygienemanagment, QM
seit 2003

nebenberufliche Tätigkeit als Fortbildungsreferentin, Praxiscoach
seit 2008

in der Praxis für Laserzahnheilkunde und Implantologie Dres. Mehmke in Chemnitz tätig

Referententätigkeit
Seminare
Referent Prof. Dr. med. dent. Friedhelm Heinemann

Prof. Dr. med. dent. Friedhelm Heinemann

Werdegang
Studium an der Rheinischen Friedrich-Wilhelms-Universität Bonn
1987 Approbation und Promotion
1988 Fortbildung in Implantologie und Beginn der implantologischen Tätigkeit
1990 Niederlassung in Gemeinschaftspraxis mit Dr. Rolf Vollmer in Wissen an der Sieg
Abschluss verschiedener Postgraduiertenprüfungen auf dem Gebiet Implantologie Active Member der DGZI, Fellow und Diplomate des ICOI und Tätigkeitsschwerpunkt Implantologie des BDIZ
Sachverständiger für privatzahnärztliche Leistungen der Bezirkszahnärztekammer Koblenz
Externer Mitarbeiter der Poliklinik für zahnärztliche Prothetik und Werkstoffkunde der Universität Greifswald. Mitgliedschaft BDZI, DGZI, DGZPW, FDI, ICOI
2004-2010 Präsident der DGZI
Referententätigkeit
Vortragstätigkeit, Kurse und Veröffentlichungen auf den Gebieten Implantologie, augmentative Chirurgie und Implantatprothetik
Seminare

 

Referent ZTM Holger Nickel

ZTM Holger Nickel

Werdegang

Geschäftsführer Biemadent Zahntechnik GmbH in Eberswalde

Referententätigkeit
Seminare
Referent Dr. med. Stefanie Schliwa

Dr. med. Stefanie Schliwa

Werdegang

Mitglied bei der Anatomischen Gesellschaft

Freiberufliche Autorin der Anatomie für " Xope: Die OP-Lehre. Online" des Deutschen Ärzteverlages

Präparierkurse für das Fachgebiet Implantologie / Mehrtägige Workshops der Regionalanästhesie und Anatomie

Koordination und Leitung der klinisch-makroskopischen Forschung

Planung und Leitung des "Kurses der Präparierübungen für Fortgeschrittene - Topografische Anatomie mit klinischen Bezügen"

Seit 2010

Wissenschaftliche Mitarbeiterin, Anatomisches Institut der Universität Bonn

Seit 2012

Promotion (Dr. med.), Universität zu Köln

Referententätigkeit
Seminare
deutsch Infos & Anmeldung

Anatomie und operative Techniken

  • Rekapitulation der implantologisch relevanten Hart- und Weichgewebsstrukturen in Theorie und Praxis.
  • Präimplantologische Überlegungen und Maßnahmen
  • Grundlagen, Techniken und Live-Demonstration
  • Ausführliche Hands-On-Übungen. Jeweils zwei Kursteilnehmer üben an einem OK / UK-Präparat:
    • Darstellen der wichtigen Nerven und Blutgefäße im Kieferbereich I Implantatinsertion
    • Schnitt- und Nahttechniken I Augmentationstechniken
    • Sinusbodenelevation offen / geschlossen I Blocktransplantation
    • Bone condensing, bone splitting, bone spreading I Piezosurgery

Infos & Anmeldung

Termin
15.11.2025 - 15.11.2025

Ort
Erlangen, Deutschland

Referent

Referent Prof. Dr. rer. nat. Dr. habil. med. Lars  Bräuer

Prof. Dr. rer. nat. Dr. habil. med. Lars Bräuer

Werdegang

Studium der Biochemie und medizinischen Mikrobiologie an der Martin-Luther-Universität Halle-Wittenberg

Promotion zum Dr. rer. nat. mit Forschungsaufenthalten in nationalen und internationalen Laboratorien

Fachanatom der Anatomischen Gesellschaft

Habilitation im Fach Anatomie

Forschungsschwerpunkt "Oberflächenaktive Proteine"

Mitglied diverser Fachgesellschaften und Editorial Boards

Referententätigkeit

Koordinator und Leiter verschiedener Weiterbildungsveranstaltungen

Seminare
  • Anatomie und operative Techniken
  • Implantationskurs an Humanpräparaten
Referent Prof. Dr. med. dent. Friedhelm Heinemann

Prof. Dr. med. dent. Friedhelm Heinemann

Werdegang
Studium an der Rheinischen Friedrich-Wilhelms-Universität Bonn
1987 Approbation und Promotion
1988 Fortbildung in Implantologie und Beginn der implantologischen Tätigkeit
1990 Niederlassung in Gemeinschaftspraxis mit Dr. Rolf Vollmer in Wissen an der Sieg
Abschluss verschiedener Postgraduiertenprüfungen auf dem Gebiet Implantologie Active Member der DGZI, Fellow und Diplomate des ICOI und Tätigkeitsschwerpunkt Implantologie des BDIZ
Sachverständiger für privatzahnärztliche Leistungen der Bezirkszahnärztekammer Koblenz
Externer Mitarbeiter der Poliklinik für zahnärztliche Prothetik und Werkstoffkunde der Universität Greifswald. Mitgliedschaft BDZI, DGZI, DGZPW, FDI, ICOI
2004-2010 Präsident der DGZI
Referententätigkeit
Vortragstätigkeit, Kurse und Veröffentlichungen auf den Gebieten Implantologie, augmentative Chirurgie und Implantatprothetik
Seminare

 

Sprache
deutsch

Gebühr
625
exkl. MwSt.

15.11.2025 - 15.11.2025 Erlangen
Deutschland
Referent Prof. Dr. rer. nat. Dr. habil. med. Lars  Bräuer

Prof. Dr. rer. nat. Dr. habil. med. Lars Bräuer

Werdegang

Studium der Biochemie und medizinischen Mikrobiologie an der Martin-Luther-Universität Halle-Wittenberg

Promotion zum Dr. rer. nat. mit Forschungsaufenthalten in nationalen und internationalen Laboratorien

Fachanatom der Anatomischen Gesellschaft

Habilitation im Fach Anatomie

Forschungsschwerpunkt "Oberflächenaktive Proteine"

Mitglied diverser Fachgesellschaften und Editorial Boards

Referententätigkeit

Koordinator und Leiter verschiedener Weiterbildungsveranstaltungen

Seminare
  • Anatomie und operative Techniken
  • Implantationskurs an Humanpräparaten
Referent Prof. Dr. med. dent. Friedhelm Heinemann

Prof. Dr. med. dent. Friedhelm Heinemann

Werdegang
Studium an der Rheinischen Friedrich-Wilhelms-Universität Bonn
1987 Approbation und Promotion
1988 Fortbildung in Implantologie und Beginn der implantologischen Tätigkeit
1990 Niederlassung in Gemeinschaftspraxis mit Dr. Rolf Vollmer in Wissen an der Sieg
Abschluss verschiedener Postgraduiertenprüfungen auf dem Gebiet Implantologie Active Member der DGZI, Fellow und Diplomate des ICOI und Tätigkeitsschwerpunkt Implantologie des BDIZ
Sachverständiger für privatzahnärztliche Leistungen der Bezirkszahnärztekammer Koblenz
Externer Mitarbeiter der Poliklinik für zahnärztliche Prothetik und Werkstoffkunde der Universität Greifswald. Mitgliedschaft BDZI, DGZI, DGZPW, FDI, ICOI
2004-2010 Präsident der DGZI
Referententätigkeit
Vortragstätigkeit, Kurse und Veröffentlichungen auf den Gebieten Implantologie, augmentative Chirurgie und Implantatprothetik
Seminare

 

deutsch Infos & Anmeldung

Anatomie und operative Techniken

  • Rekapitulation der implantologisch relevanten Hart- und Weichgewebsstrukturen in Theorie und Praxis.
  • Präimplantologische Überlegungen und Maßnahmen
  • Grundlagen, Techniken und Live-Demonstration
  • Ausführliche Hands-On-Übungen. Jeweils zwei Kursteilnehmer üben an einem OK / UK-Präparat:
    • Darstellen der wichtigen Nerven und Blutgefäße im Kieferbereich I Implantatinsertion
    • Schnitt- und Nahttechniken I Augmentationstechniken
    • Sinusbodenelevation offen / geschlossen I Blocktransplantation
    • Bone condensing, bone splitting, bone spreading I Piezosurgery

Infos & Anmeldung

Termin
29.11.2025 - 29.11.2025

Ort
Berlin, Deutschland

Referent

Referent Prof. Dr. med. dent. Friedhelm Heinemann

Prof. Dr. med. dent. Friedhelm Heinemann

Werdegang
Studium an der Rheinischen Friedrich-Wilhelms-Universität Bonn
1987 Approbation und Promotion
1988 Fortbildung in Implantologie und Beginn der implantologischen Tätigkeit
1990 Niederlassung in Gemeinschaftspraxis mit Dr. Rolf Vollmer in Wissen an der Sieg
Abschluss verschiedener Postgraduiertenprüfungen auf dem Gebiet Implantologie Active Member der DGZI, Fellow und Diplomate des ICOI und Tätigkeitsschwerpunkt Implantologie des BDIZ
Sachverständiger für privatzahnärztliche Leistungen der Bezirkszahnärztekammer Koblenz
Externer Mitarbeiter der Poliklinik für zahnärztliche Prothetik und Werkstoffkunde der Universität Greifswald. Mitgliedschaft BDZI, DGZI, DGZPW, FDI, ICOI
2004-2010 Präsident der DGZI
Referententätigkeit
Vortragstätigkeit, Kurse und Veröffentlichungen auf den Gebieten Implantologie, augmentative Chirurgie und Implantatprothetik
Seminare

 

Sprache
deutsch

Gebühr
625
exkl. MwSt.

29.11.2025 - 29.11.2025 Berlin
Deutschland
Referent Prof. Dr. med. dent. Friedhelm Heinemann

Prof. Dr. med. dent. Friedhelm Heinemann

Werdegang
Studium an der Rheinischen Friedrich-Wilhelms-Universität Bonn
1987 Approbation und Promotion
1988 Fortbildung in Implantologie und Beginn der implantologischen Tätigkeit
1990 Niederlassung in Gemeinschaftspraxis mit Dr. Rolf Vollmer in Wissen an der Sieg
Abschluss verschiedener Postgraduiertenprüfungen auf dem Gebiet Implantologie Active Member der DGZI, Fellow und Diplomate des ICOI und Tätigkeitsschwerpunkt Implantologie des BDIZ
Sachverständiger für privatzahnärztliche Leistungen der Bezirkszahnärztekammer Koblenz
Externer Mitarbeiter der Poliklinik für zahnärztliche Prothetik und Werkstoffkunde der Universität Greifswald. Mitgliedschaft BDZI, DGZI, DGZPW, FDI, ICOI
2004-2010 Präsident der DGZI
Referententätigkeit
Vortragstätigkeit, Kurse und Veröffentlichungen auf den Gebieten Implantologie, augmentative Chirurgie und Implantatprothetik
Seminare

 

deutsch Infos & Anmeldung

Seminar-Reihe Implantologie Lübeck 2026

Modul 1:

Integration der Implantologie in den Praxisalltag

Mittwoch, 25. Februar 2026 | 15:00 bis 19:30 Uhr


• Patientenselektion
• Beratung
• Implantatplanung
• OP-Ablauf
• Gemeinsame Fallbesprechung vom präoperativen Befund bis zur Umsetzung (Einzelzahn, Schaltlücke, Freiendsituation, unbezahnter Kiefer)

 

Modul 2:

Implantatprothetik aus zahnärztlicher und zahntechnischer Sicht

Mittwoch, 18.03.2026 l 2025 I 15:00 bis 19:30 Uhr


• Möglichkeiten und Planungsgrundsätze in der Implantatprothetik und deren Umsetzung
• Zusammenarbeit Zahnarzt / Zahntechniker / Chirurg von der Planung bis zur Umsetzung bei der OP und der prothetischen Versorgung
• Ausführliche Hands-On-Übungen:
Abdrucknahme (offen / geschlossen) I Auswahl der prothetischen Abutments
• Praktische Tipps bei der prothetischen Versorgung

 

Modul 3:

OP-Tag

Mittwoch, 15.04.2026 I 15:00 bis 19:30 Uhr


• Live-OP einfacher Fälle im OK / UK
• Eventuell auch OP mit internem Sinuslift und Demonstration einer Implantatfreilegung
• Praktische Tipps vom erfahrenen Chirurgen
• Fallbesprechung und Planung eigener Fälle
• OPTG / PSA (Modelle bringen die Teilnehmer mit)

 

Modul 4:

Weichgewebshandling

Mittwoch, 27.05.2026 I 15:00 bis 19:30 Uhr


• Vorbereitung und Diagnostik vor Parodontalbehandlung und augmentativer Chirurgie
• Grundlegende Techniken des Hart- und Weichgewebsmanagements
• Übersicht der verschiedenen Augmentationsmaterialien und Membrane
• Nachsorge nach augmentativen und parodontalchirurgischen Verfahren
• Hands-On-Übungen: Naht- und Fixierungstechniken mit umfangreichen Übungen am Tierpräparat

 

Modul 5:

Implantatindikationen, Planung und Umsetzung

Mittwoch, 17.06.2026 I 15:00 bis 19:30 Uhr


• Gemeinsame Fallbesprechung vom präoperativen Befund bis zur Umsetzung
(Einzelzahn, Schaltlücke, Freiendsituation, unbezahnter Kiefer)
• Fallbesprechung und Planung eigener Fälle
• OPTG / PSA (Modelle bringen die Kursteilnehmer mit)

 

Modul 6:

Praxiscoaching

Mittwoch, 02.09.2026 I 15:00 bis 19:30 Uhr

• Patientenaufklärung
• Praxiskonzepte
• Patientenbereitung

 

Modul 7:

Assistenz für Zahnmedizinische Fachangestellte

Mittwoch, 02.09.2026 I 15:00 bis 19:30 Uhr

• Ablauf einer Implantatbehandllung: von Diagnostik bis Nachsorge
• OP-Vorbereitung
• Besonderheiten bei der Assistenz
• Vorstellung des erforderlichen Instrumentariums und dessen Wartung und Pflege

 

Modul 8:

Anatomie und operative Techniken an der Christian-Albrechts-Universität zu Kiel

Samstag, 26.09.2026 I 09:00 bis 17:00 Uhr


• Anatomische Grundlagen
• Präimplantologische Überlegungen und Maßnahmen
• Ausführliche Hands-On-Übungen: Jeweils zwei Teilnehmer üben an einem OK / UK-Humanpräparat

 

Modul 9:

OP-Tag – Supervision

Mittwoch, 04.11.2026 I 15:00 bis 19:30 Uhr
oder
Mittwoch, 11.11.2026 I 15:00 bis 19:30 Uhr


• Jeder Teilnehmer operiert seinen eigenen Patienten unter Anleitung des Referenten

 

Modul 10:

Update, Feedback und prothetischer Ausblick

Mittwoch, 02.12.2026 I 15:00 bis 19:30 Uhr



• Nachbesprechung der OPs der Supervision
• Prothetische Planung

Infos & Anmeldung

Termin
25.02.2026 - 02.12.2026

Ort
Lübeck, Deutschland

Referent

Referent Michaela Arends

Michaela Arends

Werdegang
1993

Gründung der LIQUIDENT GmbH

Seit 1993

Als Referentin in der Dentalbranche tätig

Seit 1995

zahnärztliche Unternehmensberatung

Seit 1999

UnternehmerEnergie - Anwenderin

2001

Betriebswirtschaftliches Studium

2007

Studium Gesundheitsökonomie

Referententätigkeit
Seminare
Referent Dr. med. dent. Muhammad  Ayub

Dr. med. dent. Muhammad Ayub

Werdegang
2001-2008

Wissenschaftlicher Angestellter im anatomischen Institut der Christin-Albrechts-Universität zu Kiel.

Referententätigkeit

Referent für das Fachgebiet Implantologie

Seminare

Anatomie und operative Techniken - ein Implantationskurs an Humanpräparaten

Referent Prof. Dr. rer. nat. Bodo Kurz

Prof. Dr. rer. nat. Bodo Kurz

Werdegang

Dipl. Biologe, Fachanatom

Anatomisches Institut der CAU zu Kiel
Zentrum für klinische Anatomie

Referententätigkeit
Seminare
Referent ZTM Holger Nickel

ZTM Holger Nickel

Werdegang

Geschäftsführer Biemadent Zahntechnik GmbH in Eberswalde

Referententätigkeit
Seminare
Referent Dr. med. dent. Daniel Schulz

Dr. med. dent. Daniel Schulz

Werdegang
1996-2001

Studium der Zahnheilkunde in Hamburg

2001-2004

Assistenzstellen in Hamburg

2003

Promotion

2004

Praxisneugründung in Henstedt-Ulzburg
und implantologisch tätig

Mitgliedschaft der SHGZMK und DGZI

Referententätigkeit
Vorträge und Veröffentlichungen im Bereich Implantologie, Vollkeramik und digitale Volumentomographie
Seminare
Referent Dr. med. dent. Christian Vocke

Dr. med. dent. Christian Vocke

Werdegang
1992

Approbation als Zahnarzt

1995

Promotion zum Dr. med. dent.
und wissenschaftliche Veröffentlichung

1994-1996

Assistenzzeit in oralchirurgischer Praxis

1997-1999

Ausbildung zum Oralchirurgen in oral-chirurgischer Praxis mit belegärztlicher Abteilung
Erlangung des Titels Oralchirurgie

2000-2001

Tätigkeit als angestellter Oralchirurg in MKG-Praxis

seit 2002

Tätigkeit in eigener Praxis

Referententätigkeit

Kurse im Bereich der Implantologie

Seminare
Referent Prof. Dr. med. Thilo Wedel

Prof. Dr. med. Thilo Wedel

Werdegang

Zentrum für Klinische Anatomie

Anatomisches Institut Christian-Albrechts-Universität zu Kiel

Facharzt für Anatomie

Referententätigkeit

Kurse, Vorträge und Publikationen zu operativen sowie Referent für das Fachgebiet Implantologie

Seminare

Sprache
deutsch

Gebühr
2665
exkl. MwSt.

25.02.2026 - 02.12.2026 Lübeck
Deutschland
Referent Michaela Arends

Michaela Arends

Werdegang
1993

Gründung der LIQUIDENT GmbH

Seit 1993

Als Referentin in der Dentalbranche tätig

Seit 1995

zahnärztliche Unternehmensberatung

Seit 1999

UnternehmerEnergie - Anwenderin

2001

Betriebswirtschaftliches Studium

2007

Studium Gesundheitsökonomie

Referententätigkeit
Seminare
Referent Dr. med. dent. Muhammad  Ayub

Dr. med. dent. Muhammad Ayub

Werdegang
2001-2008

Wissenschaftlicher Angestellter im anatomischen Institut der Christin-Albrechts-Universität zu Kiel.

Referententätigkeit

Referent für das Fachgebiet Implantologie

Seminare

Anatomie und operative Techniken - ein Implantationskurs an Humanpräparaten

Referent Prof. Dr. rer. nat. Bodo Kurz

Prof. Dr. rer. nat. Bodo Kurz

Werdegang

Dipl. Biologe, Fachanatom

Anatomisches Institut der CAU zu Kiel
Zentrum für klinische Anatomie

Referententätigkeit
Seminare
Referent ZTM Holger Nickel

ZTM Holger Nickel

Werdegang

Geschäftsführer Biemadent Zahntechnik GmbH in Eberswalde

Referententätigkeit
Seminare
Referent Dr. med. dent. Daniel Schulz

Dr. med. dent. Daniel Schulz

Werdegang
1996-2001

Studium der Zahnheilkunde in Hamburg

2001-2004

Assistenzstellen in Hamburg

2003

Promotion

2004

Praxisneugründung in Henstedt-Ulzburg
und implantologisch tätig

Mitgliedschaft der SHGZMK und DGZI

Referententätigkeit
Vorträge und Veröffentlichungen im Bereich Implantologie, Vollkeramik und digitale Volumentomographie
Seminare
Referent Dr. med. dent. Christian Vocke

Dr. med. dent. Christian Vocke

Werdegang
1992

Approbation als Zahnarzt

1995

Promotion zum Dr. med. dent.
und wissenschaftliche Veröffentlichung

1994-1996

Assistenzzeit in oralchirurgischer Praxis

1997-1999

Ausbildung zum Oralchirurgen in oral-chirurgischer Praxis mit belegärztlicher Abteilung
Erlangung des Titels Oralchirurgie

2000-2001

Tätigkeit als angestellter Oralchirurg in MKG-Praxis

seit 2002

Tätigkeit in eigener Praxis

Referententätigkeit

Kurse im Bereich der Implantologie

Seminare
Referent Prof. Dr. med. Thilo Wedel

Prof. Dr. med. Thilo Wedel

Werdegang

Zentrum für Klinische Anatomie

Anatomisches Institut Christian-Albrechts-Universität zu Kiel

Facharzt für Anatomie

Referententätigkeit

Kurse, Vorträge und Publikationen zu operativen sowie Referent für das Fachgebiet Implantologie

Seminare
deutsch Infos & Anmeldung

Anatomie und operative Techniken

  • Rekapitulation der implantologisch relevanten Hart- und Weichgewebsstrukturen in Theorie und Praxis.
  • Präimplantologische Überlegungen und Maßnahmen
  • Grundlagen, Techniken und Live-Demonstration
  • Ausführliche Hands-On-Übungen. Jeweils zwei Kursteilnehmer üben an einem OK / UK-Präparat:
    • Darstellen der wichtigen Nerven und Blutgefäße im Kieferbereich I Implantatinsertion
    • Schnitt- und Nahttechniken I Augmentationstechniken
    • Sinusbodenelevation offen / geschlossen I Blocktransplantation
    • Bone condensing, bone splitting, bone spreading I Piezosurgery

Infos & Anmeldung

Termin
28.02.2026 - 28.02.2026

Ort
Tübingen, Deutschland

Referent

Prof. Dr. Bernhard Hirt

Werdegang
Referententätigkeit
Seminare

Anatomie und operative Techniken

Sprache
deutsch

Gebühr
625
exkl. MwSt.

28.02.2026 - 28.02.2026 Tübingen
Deutschland

Prof. Dr. Bernhard Hirt

Werdegang
Referententätigkeit
Seminare

Anatomie und operative Techniken

deutsch Infos & Anmeldung

Seminar-Reihe Implantologie in Jena 2026

Modul 1: Integration der Implantologie in den Praxisalltag
Mittwoch,11.03.2026 I 15.00 bis 19.30 Uhr

  • Patientenselektion
  • Beratungsgespräch
  • Implantatplanung
  • OP-Ablauf

Modul 2: Implantatprothetik aus zahnärztlicher und zahntechnischer Sicht
Mittwoch, 22.04.2026 I 15.00 bis 19.30 Uhr

  • Möglichkeiten und Planungsgrundsätze in der Implantatprothetik und deren Umsetzung
  • Zusammenarbeit Zahnarzt / Zahntechniker / Chirurg von der Planung bis zur Umsetzung bei der OP und der prothetischen Versorgung
  • Ausführliche Hands-On-Übungen:
    • Abdrucknahme (offen / geschlossen)
    • Auswahl der prothetischen Abutments
  • Praktische Tipps bei der prothetischen Versorgung

Modul 3: OP-Tag
Mittwoch, 20.05.2026 I 15.00 bis 19.30 Uhr

  • Live-OP einfacher Fälle im OK / UK
  • Eventuell auch OP mit internem Sinuslift und Demonstration einer Implantatfreilegung
  • Praktische Tipps vom erfahrenen Chirurgen
  • Fallbesprechung und Planung eigener Fälle
  • OPTG / PSA (Modelle bringen die Teilnehmer mit)

Modul 4 A: Weichgewebshandling
Mittwoch, 03.06.2026 I 15.00 bis 19.30 Uhr

  • Vorbereitung und Diagnostik vor Parodontalbehandlung und augmentativer Chirurgie
  • Grundlegende Techniken des Hart- und Weichgewebsmanagements
  • Übersicht der verschiedenen Augmentationsmaterialien und Membrane
  • Nachsorge nach augmentativen und parodontalchirurgischen Verfahren
  • Hands-On-Übungen: Naht- und Fixierungstechniken mit umfangreichen Übungen am Tierpräparat

Modul 4 B: Assistenz für Zahnmedizinische Fachangestellte
Mittwoch, 03.06.2026 I 15.00 bis 19.30 Uhr

  • Ablauf einer Implantatbehandlung: von Diagnostik bis Nachsorge
  • OP-Vorbereitung
  • Besonderheiten bei der Assistenz
  • Vorstellung des erforderlichen Instrumentariums und dessen Wartung und Pflege

Modul 5: Implantatindikationen, Planung und Umsetzung
Mittwoch, 02.09.2026 I 15.00 bis 19.30 Uhr

  • Gemeinsame Fallbesprechung vom präoperativen Befund bis zur Umsetzung (Einzelzahn, Schaltlücke, Freiendsituation, unbezahnter Kiefer)
  • Fallbesprechung und Planung eigener Fälle
  • Hinweis: OPTG/PSA und Modelle bringen die Kursteilnehmer mit        

Modul 6: Anatomie und operative Techniken an der Friedrich-Schiller-Universität Jena
Samstag, 26.09.2026 I 09.00 bis 17.00 Uhr

  • Anatomische Grundlagen
  • Präimplantologische Überlegungen und Maßnahmen
  • Ausführliche Hands-On-Übungen: Jeweils 2 Teilnehmer üben an einem OK/UK-Humanpräparat

Modul 7: OP-Tag - Supervision
Mittwoch, 25.11.2026 I 15:00 bis 19:30 Uhr

  • Jeder Teilnehmer operiert seinen eigenen Patienten unter Anleitung des Referenten

Infos & Anmeldung

Termin
11.03.2026 - 25.11.2026

Ort
Jena, Deutschland

Referent

Referent ZMF Angelika Frenzel

ZMF Angelika Frenzel

Werdegang
1989-1992

Ausbildung zur Zahnarzthelferin
1992-2007

in der Gemeinschaftspraxis DS Rocktäschel/DM Ziesch in Chemnitz tätig. Tätigkeitsschwerpunkt Implantologie
1999- 2001

Fortbildung zur ZMF
ab 2001

Mitarbeit im Praxismanagment, Hygienemanagment, QM
seit 2003

nebenberufliche Tätigkeit als Fortbildungsreferentin, Praxiscoach
seit 2008

in der Praxis für Laserzahnheilkunde und Implantologie Dres. Mehmke in Chemnitz tätig

Referententätigkeit
Seminare
Referent Dr. Joachim Hoffmann

Dr. Joachim Hoffmann

Werdegang
1980 bis 1985 Studium der Zahnmedizin an der Friedrich-Schiller-Universität Jena
1985 bis 1989 Facharztausbildung an der Poliklinik für Stomatologie in Jena
1990 bis 1992 Leiter des Bereiches Zahnmedizin der Ambulanten Gesundheitseinrichtungen der Stadt Jena
seit 1992 Private Zahnarztpraxis in Jena, später
Zahnärztliche Gemeinschaftspraxis mit Dr. Christin Drothen und Dr. Claus Wächter
seit 1996 Referent und Kursleiter für Implantologie und Mikrochirurgie
seit 2000 Zertifizierter Ausbildungsreferent sowie Praxis für Hospitation und Supervision der Konsensuskonferenz Implantologie
Gutachter des BDIZ, der Konsensuskonferenz Implantologie und der Landeszahnärztekammer Thüringen bis 2015
2005

Gründung des "Implantariums"
Fortbildungszentrum für Implantologie
und spezialisierte Zahnheilkunde in Jena

seit 2005

Vorsitzender der Gesellschaft für medizinisch-technische Zusammenarbeit, Entwicklungshilfe in Nepal

2006

Visual Library Implantologie, Quintessenz Verlag, das erste Videolexikon für den Fachbereich Implantologie

2012

Topografische Implantologie Band 1:

Die Sinuslift-OP. Das erste multimediale iBook für Implantologen 

2014

Der Implantatnavigator, Quintessenz Verlag

Referententätigkeit
Kurse im Bereich Implantologie
Seminare
  • Anatomie und operative Techniken - ein Implantationskurs an Humanpräparaten
  • Knochenregeneration - Methodik und Techniken
  • Sinuslift und atrophierter lateraler Oberkiefer
  • Blocktransplantate und atrophierter lateraler Unterkiefer
Referent Dr. rer. nat. Gudrun Stoya

Dr. rer. nat. Gudrun Stoya

Werdegang
1978-1982

Friedrich-Schiller-Universität Jena
Studiengang: Biologie/Körpererziehung
Abschluss: Diplompädagoge

1982-1986

Forschungsstudium an der Friedrich-Schiller-Universität Jena, Sektion Biologie, Wissenschaftsbereich Tierphysiologie

1988

Promotion (Dr. rer. nat.), Friedrich-Schiller-Universität Jena, Sektion Biologie, Wissenschaftsbereich Tierphysiologie

1986-1992

Wissenschaftlicher Mitarbeiter der Universitätskinderklinik "Jussuf Ibrahim" Jena, Arbeitsgruppen: Pädiatrische Endokrinologie /Forschungsschwerpunkte: Wachstumsfaktoren, Vitamin D-Metabolismus - Rachitisprophylaxe); Klinische Physiologie (Forschungsschwerpunkt: plötzlicher Kindstod - SIDS)

Seit 1992

Wissenschaftlicher Mitarbeiter am Institut für Anatomie I des Universitätsklinikums Jena, Forschungsschwerpunkt: Rolle von Zelladhäsionsproteinen bei der Morphogenese des Gehirns und bei der Odontogenese

Referententätigkeit

Präparier-, Histologiekurse und Vorlesungen für Studierende der Zahnmedizin

Referentin für das Fachgebiet Implantologie

Seminare
Referent  ZTM Sebastian Schuldes

ZTM Sebastian Schuldes

Werdegang
Referententätigkeit
Seminare

Seminar-Reihe Implantologie Jena 2025

Sprache
deutsch

Gebühr
2305
exkl. MwSt.

11.03.2026 - 25.11.2026 Jena
Deutschland
Referent ZMF Angelika Frenzel

ZMF Angelika Frenzel

Werdegang
1989-1992

Ausbildung zur Zahnarzthelferin
1992-2007

in der Gemeinschaftspraxis DS Rocktäschel/DM Ziesch in Chemnitz tätig. Tätigkeitsschwerpunkt Implantologie
1999- 2001

Fortbildung zur ZMF
ab 2001

Mitarbeit im Praxismanagment, Hygienemanagment, QM
seit 2003

nebenberufliche Tätigkeit als Fortbildungsreferentin, Praxiscoach
seit 2008

in der Praxis für Laserzahnheilkunde und Implantologie Dres. Mehmke in Chemnitz tätig

Referententätigkeit
Seminare
Referent Dr. Joachim Hoffmann

Dr. Joachim Hoffmann

Werdegang
1980 bis 1985 Studium der Zahnmedizin an der Friedrich-Schiller-Universität Jena
1985 bis 1989 Facharztausbildung an der Poliklinik für Stomatologie in Jena
1990 bis 1992 Leiter des Bereiches Zahnmedizin der Ambulanten Gesundheitseinrichtungen der Stadt Jena
seit 1992 Private Zahnarztpraxis in Jena, später
Zahnärztliche Gemeinschaftspraxis mit Dr. Christin Drothen und Dr. Claus Wächter
seit 1996 Referent und Kursleiter für Implantologie und Mikrochirurgie
seit 2000 Zertifizierter Ausbildungsreferent sowie Praxis für Hospitation und Supervision der Konsensuskonferenz Implantologie
Gutachter des BDIZ, der Konsensuskonferenz Implantologie und der Landeszahnärztekammer Thüringen bis 2015
2005

Gründung des "Implantariums"
Fortbildungszentrum für Implantologie
und spezialisierte Zahnheilkunde in Jena

seit 2005

Vorsitzender der Gesellschaft für medizinisch-technische Zusammenarbeit, Entwicklungshilfe in Nepal

2006

Visual Library Implantologie, Quintessenz Verlag, das erste Videolexikon für den Fachbereich Implantologie

2012

Topografische Implantologie Band 1:

Die Sinuslift-OP. Das erste multimediale iBook für Implantologen 

2014

Der Implantatnavigator, Quintessenz Verlag

Referententätigkeit
Kurse im Bereich Implantologie
Seminare
  • Anatomie und operative Techniken - ein Implantationskurs an Humanpräparaten
  • Knochenregeneration - Methodik und Techniken
  • Sinuslift und atrophierter lateraler Oberkiefer
  • Blocktransplantate und atrophierter lateraler Unterkiefer
Referent Dr. rer. nat. Gudrun Stoya

Dr. rer. nat. Gudrun Stoya

Werdegang
1978-1982

Friedrich-Schiller-Universität Jena
Studiengang: Biologie/Körpererziehung
Abschluss: Diplompädagoge

1982-1986

Forschungsstudium an der Friedrich-Schiller-Universität Jena, Sektion Biologie, Wissenschaftsbereich Tierphysiologie

1988

Promotion (Dr. rer. nat.), Friedrich-Schiller-Universität Jena, Sektion Biologie, Wissenschaftsbereich Tierphysiologie

1986-1992

Wissenschaftlicher Mitarbeiter der Universitätskinderklinik "Jussuf Ibrahim" Jena, Arbeitsgruppen: Pädiatrische Endokrinologie /Forschungsschwerpunkte: Wachstumsfaktoren, Vitamin D-Metabolismus - Rachitisprophylaxe); Klinische Physiologie (Forschungsschwerpunkt: plötzlicher Kindstod - SIDS)

Seit 1992

Wissenschaftlicher Mitarbeiter am Institut für Anatomie I des Universitätsklinikums Jena, Forschungsschwerpunkt: Rolle von Zelladhäsionsproteinen bei der Morphogenese des Gehirns und bei der Odontogenese

Referententätigkeit

Präparier-, Histologiekurse und Vorlesungen für Studierende der Zahnmedizin

Referentin für das Fachgebiet Implantologie

Seminare
Referent  ZTM Sebastian Schuldes

ZTM Sebastian Schuldes

Werdegang
Referententätigkeit
Seminare

Seminar-Reihe Implantologie Jena 2025

deutsch Infos & Anmeldung

Seminar-Reihe Implantologie in Berlin 2026

MODUL 1 – Integration der Implantologie in den Praxisalltag

MIttwoch 29.04.2026 | 14:30 bis 18:30 Uhr

  • Patientenselektion
  • Beratungsgespräch
  • Implantatplanung
  • OP-Ablauf
  • Gemeinsame Fallbesprechung vom präoperativen Befund bis zur Umsetzung (Einzelzahn, Schaltlücke, Freiendsituation, unbezahnter Kiefer)

MODUL 2 – Implantatprothetik aus zahnärztlicher und zahntechnischer Sicht

Mittwoch 20.05.2026 | 14:30 bis 18:30 Uhr

  • Möglichkeiten und Planungsgrundsätze in der Implantatprothetik und deren Umsetzung
  • Zusammenarbeit Zahnarzt / Zahntechniker / Chirurg von der Planung bis zur Umsetzung bei der OP und der prothetischen Versorgung
  • Ausführliche Hands-On-Übungen: Abdrucknahme (offen / geschlossen)
  • Auswahl der prothetischen Abutments
  • Praktische Tipps bei der prothetischen Versorgung

MODUL 3 – Weichgewebshandling

Mittwoch 24.06.2026 | 14:30 bis 18:30 Uhr

  • Vorbereitung und Diagnostik vor Parodontalbehandlung und augmentativer Chirurgie
  • Grundlegende Techniken des Hart- und Weichgewebsmanagements
  • Übersicht der verschiedenen Augmentationsmaterialien und Membrane
  • Nachsorge nach augmentativen und parodontalchirurgischen Verfahren
  • Hands-On-Übungen: Naht- und Fixierungstechniken mit umfangreichen Übungen am Tierpräparat

MODUL 4 – OP-Tag

Mittwoch 09.09.2026 | 14:30 bis 18:30 Uhr

  • Live-OP einfacher Fälle im OK / UK
  • Eventuell auch OP mit internem Sinuslift und Demonstration einer Implantatfreilegung
  • Praktische Tipps vom erfahrenen Chirurgen
  • Fallbesprechung und Planung eigener Fälle
  • OPTG / PSA und Modelle bringen die Teilnehmer mit

MODUL 5A – Implantatindikationen, Planung und Umsetzung

Mittwoch 30.09.2026 | 14:30 bis 18:30 Uhr

  • Besprechung eigener Fälle vom präoperativen Befund bis zur Umsetzung

MODUL 5B – Assistenz für Zahnmedizinische Fachangestellte

Mittwoch 30.09.2026 | 14:30 bis 18:30 Uhr

  • Ablauf einer Implantatbehandlung: von Diagnostik bis Nachsorge
  • Vorstellung des erforderlichen Instrumentariums und dessen Wartung und Pflege

MODUL 6 - Digitale Implantatprothetik

Mittwoch 11.11.2026 | 14:30 bis 18:30 Uhr

  • Konventionelle versus digitale Abdrucknahme
  • Vorstellung des digitalen Workflows
  • Hans-on-Übungen am Modell oder intraoral

MODUL 7 – Anatomie und operative Techniken an der Charité-Universitätsmedizin Berlin

Samstag 28.11.2026 | 09:00 bis 17:00 Uhr

  • Anatomische Grundlagen
  • Präimplantologische Überlegungen und Maßnahmen
  • Ausführliche Hands-On-Übungen:
  • Jeweils zwei Teilnehmer üben an einem OK / UK-Präparat

MODUL 8 – OP-Tag – Supervision

Termin nach individueller Absprache

  • Jeder Teilnehmer operiert seinen eigenen Patienten unter Anleitung des Referenten

Infos & Anmeldung

Termin
29.04.2026 - 28.11.2026

Ort
Berlin, Deutschland

Referent

Referent ZMF Angelika Frenzel

ZMF Angelika Frenzel

Werdegang
1989-1992

Ausbildung zur Zahnarzthelferin
1992-2007

in der Gemeinschaftspraxis DS Rocktäschel/DM Ziesch in Chemnitz tätig. Tätigkeitsschwerpunkt Implantologie
1999- 2001

Fortbildung zur ZMF
ab 2001

Mitarbeit im Praxismanagment, Hygienemanagment, QM
seit 2003

nebenberufliche Tätigkeit als Fortbildungsreferentin, Praxiscoach
seit 2008

in der Praxis für Laserzahnheilkunde und Implantologie Dres. Mehmke in Chemnitz tätig

Referententätigkeit
Seminare
Referent Prof. Dr. med. dent. Friedhelm Heinemann

Prof. Dr. med. dent. Friedhelm Heinemann

Werdegang
Studium an der Rheinischen Friedrich-Wilhelms-Universität Bonn
1987 Approbation und Promotion
1988 Fortbildung in Implantologie und Beginn der implantologischen Tätigkeit
1990 Niederlassung in Gemeinschaftspraxis mit Dr. Rolf Vollmer in Wissen an der Sieg
Abschluss verschiedener Postgraduiertenprüfungen auf dem Gebiet Implantologie Active Member der DGZI, Fellow und Diplomate des ICOI und Tätigkeitsschwerpunkt Implantologie des BDIZ
Sachverständiger für privatzahnärztliche Leistungen der Bezirkszahnärztekammer Koblenz
Externer Mitarbeiter der Poliklinik für zahnärztliche Prothetik und Werkstoffkunde der Universität Greifswald. Mitgliedschaft BDZI, DGZI, DGZPW, FDI, ICOI
2004-2010 Präsident der DGZI
Referententätigkeit
Vortragstätigkeit, Kurse und Veröffentlichungen auf den Gebieten Implantologie, augmentative Chirurgie und Implantatprothetik
Seminare

 

Referent Dr. Stephan Kressin

Dr. Stephan Kressin

Werdegang
1984-1989

Studium der Zahnmedizin an der Humboldt-Universität zu Berlin (Bereich Medizin/Charité)

189-1990

Wissenschaftlicher Mitarbeiter am Institut für Neuro-Pathophysiologie an der Charité Berlin
Promotion zum Dr. med. an der Humboldt-Universität zu Berlin

1990-1994

Wissenschaftlicher Mitarbeiter an der Heinrich-Heine-Universität Düsseldorf (Westdeutsche Kieferklinik), Abteilung für Parodontologie

1996,2002

“Spezialist für Parodontologie” der Deutschen Gesellschaft für Parodontologie

seit 1998

Implantologische Tätigkeit, speziell auch mit dem TIOLOX-System

seit 2003

Mitglied der DGZI

1994 bis heute

Niedergelassener Zahnarzt in Berlin mit Schwerpunkt Implantologie und Parodontologie

Referententätigkeit

Kurse im Bereich Implantologie

Seminare
Referent ZTM Holger Nickel

ZTM Holger Nickel

Werdegang

Geschäftsführer Biemadent Zahntechnik GmbH in Eberswalde

Referententätigkeit
Seminare
Referent Oliver Semmler

Oliver Semmler ,
Vertriebsleiter digital

Werdegang
Referententätigkeit
Seminare

Digitale Abformung - state of the art?

ZTM Jochen Thie ZTM Jochen Thie

Werdegang
Referententätigkeit
Seminare

Digitale Implantatprothetik

Sprache
deutsch

Gebühr
2305
exkl. MwSt.

29.04.2026 - 28.11.2026 Berlin
Deutschland
Referent ZMF Angelika Frenzel

ZMF Angelika Frenzel

Werdegang
1989-1992

Ausbildung zur Zahnarzthelferin
1992-2007

in der Gemeinschaftspraxis DS Rocktäschel/DM Ziesch in Chemnitz tätig. Tätigkeitsschwerpunkt Implantologie
1999- 2001

Fortbildung zur ZMF
ab 2001

Mitarbeit im Praxismanagment, Hygienemanagment, QM
seit 2003

nebenberufliche Tätigkeit als Fortbildungsreferentin, Praxiscoach
seit 2008

in der Praxis für Laserzahnheilkunde und Implantologie Dres. Mehmke in Chemnitz tätig

Referententätigkeit
Seminare
Referent Prof. Dr. med. dent. Friedhelm Heinemann

Prof. Dr. med. dent. Friedhelm Heinemann

Werdegang
Studium an der Rheinischen Friedrich-Wilhelms-Universität Bonn
1987 Approbation und Promotion
1988 Fortbildung in Implantologie und Beginn der implantologischen Tätigkeit
1990 Niederlassung in Gemeinschaftspraxis mit Dr. Rolf Vollmer in Wissen an der Sieg
Abschluss verschiedener Postgraduiertenprüfungen auf dem Gebiet Implantologie Active Member der DGZI, Fellow und Diplomate des ICOI und Tätigkeitsschwerpunkt Implantologie des BDIZ
Sachverständiger für privatzahnärztliche Leistungen der Bezirkszahnärztekammer Koblenz
Externer Mitarbeiter der Poliklinik für zahnärztliche Prothetik und Werkstoffkunde der Universität Greifswald. Mitgliedschaft BDZI, DGZI, DGZPW, FDI, ICOI
2004-2010 Präsident der DGZI
Referententätigkeit
Vortragstätigkeit, Kurse und Veröffentlichungen auf den Gebieten Implantologie, augmentative Chirurgie und Implantatprothetik
Seminare

 

Referent Dr. Stephan Kressin

Dr. Stephan Kressin

Werdegang
1984-1989

Studium der Zahnmedizin an der Humboldt-Universität zu Berlin (Bereich Medizin/Charité)

189-1990

Wissenschaftlicher Mitarbeiter am Institut für Neuro-Pathophysiologie an der Charité Berlin
Promotion zum Dr. med. an der Humboldt-Universität zu Berlin

1990-1994

Wissenschaftlicher Mitarbeiter an der Heinrich-Heine-Universität Düsseldorf (Westdeutsche Kieferklinik), Abteilung für Parodontologie

1996,2002

“Spezialist für Parodontologie” der Deutschen Gesellschaft für Parodontologie

seit 1998

Implantologische Tätigkeit, speziell auch mit dem TIOLOX-System

seit 2003

Mitglied der DGZI

1994 bis heute

Niedergelassener Zahnarzt in Berlin mit Schwerpunkt Implantologie und Parodontologie

Referententätigkeit

Kurse im Bereich Implantologie

Seminare
Referent ZTM Holger Nickel

ZTM Holger Nickel

Werdegang

Geschäftsführer Biemadent Zahntechnik GmbH in Eberswalde

Referententätigkeit
Seminare
Referent Oliver Semmler

Oliver Semmler ,
Vertriebsleiter digital

Werdegang
Referententätigkeit
Seminare

Digitale Abformung - state of the art?

ZTM Jochen Thie ZTM Jochen Thie

Werdegang
Referententätigkeit
Seminare

Digitale Implantatprothetik

deutsch Infos & Anmeldung

 

Weitere Informationen

Alle Downloads zum Thema tioLogic® TWINFIT
finden Sie in unserem Downloadcenter.